PRODUCT
¹ÏÀ½°ú ½Å·Ú¸¦ À§ÇÏ¿© ÃÖ¼±À» ´ÙÇÏ´Â ±â¾÷
2´Ü¹ÐÇÉ
Stepped Ejector Pins
img
»ó¼¼»çÁø
img
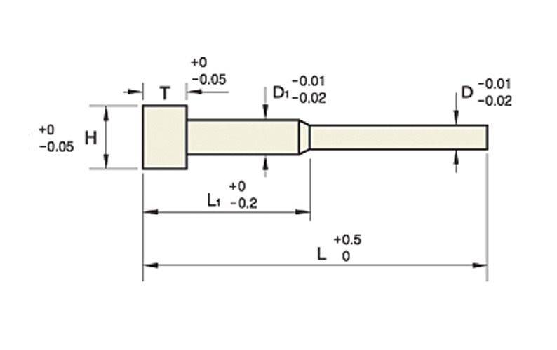
´Ü¸éµµ

ÀçÁú ¹× ³»ºÎ°æµµ / Ç¥¸é°æµµ

Àç Áú
³»ºÎ°æµµ
Ç¥¸é°æµµ
SUJ-2
HRC 60¡¾2
SKD-61
HRC 43~44
HV1050 ÀÌ»ó
SKH-51
HRC 60~61

ÀÏ¹Ý±Ô°Ý Standard(´ÜÀ§:mm)

D
D1
H
T
1.0
3
6
4
1.5
2.0
4
8
6
2.5

(´ÜÀ§:mm)

img
100
150
200
1.0
40
60
80
1.5
40
60
80
2.0
40
60
80
2.5
40
60
80
¡Ø Ư¼ö±Ô°ÝÀÇ Á¦Ç°Àº ÁÖ¹®»ý»ê

HS(SKH-51)±Ô°Ý Standard(´ÜÀ§:mm)

D
D1
H
T
1.0
2
4
4
1.5
2.0
4
7
4
2.5

(´ÜÀ§:mm)

img
100
150
200
1.0
40
50
70
1.5
40
50
70
2.0
40
50
70
2.5
40
50
70
¡Ø SKH-51Àº Àüǰ¸ñ Ư¼ö»ç¾ç ÁÖ¹®»ý»ê